Feisteas píopa brionnaithe ríthábhachtach é Tee Comhionann Brionnaithe le trí oscailt chomhionann ar thrastomhas, atá deartha chun sreabhadh sreabhán, gáis nó gaile a scoilt nó a chomhcheangal go cothrom i gcórais píblíne. Murab ionann agus tíonna éagothroma, cinntíonn a struchtúr siméadrach dáileadh cothrom sreafa, rud a chuireann deireadh le míchothromaíochtaí brú a d’fhéadfadh cur isteach ar fheidhmíocht an chórais - rud a fhágann go bhfuil sé ina stáplacha in feidhmeanna tionsclaíocha ina bhfuil sreabhadh comhsheasmhach ríthábhachtach.
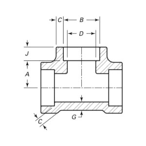
| Méid | DN15(1/2")~DN600(24") |
| Leibhéal Brú | Aicme 2000~6000 |
| Cineál Snáithe | NPT, BSPP, BSPT |
| Teastas | PED, AD2000, EAC, ABS, BV, DNV, NORSOK M650, ISO9001, ISO14001, ISO45001, etc. |
| Feidhm a thabhairt isteach | Casadh píopa 45 ° a bhaint amach, sábhálann dearadh nasc snáithithe spás suiteála, oiriúnach do leagan amach dlúth píblíne. |
| Réimsí iarratais | Deartha do chórais píblíne ardbhrú, atá oiriúnach chun páirteanna tábhachtacha a nascadh agus a stiúradh, mar shampla scagadh peitriliam, trealamh cumhachta núicléach, trealamh ceimiceach, soithí brú coire, etc. |
| Pacáil | Pacáiste seaworthy, Cásanna Sraithadhmaid nó phailléid nó de réir riachtanas na gcustaiméirí |
| Táirgí Réadmhaoin | 1 、 Baisc íosta ordú ; |
Áirítear leis na buntáistí a bhaineann leis sláine struchtúrach láidir (íoslaghdaíonn brionnú rioscaí scoilte), comhtháthú éasca (naisc táthaithe/snáithithe oiriúnach do phíopaí caighdeánacha), agus saol seirbhíse fada. Trí shreabhadh aonfhoirmeach a chumasú, laghdaítear caitheamh ar chomhpháirteanna iartheachtacha, rud a fhágann go bhfuil sé riachtanach d'oibríochtaí píblíne iontaofa, éifeachtacha.
Ó amhábhar go dtí an seachadadh deiridh, coinnímid smacht docht ag gach céim chun marthanacht, feidhmíocht agus comhsheasmhacht a chinntiú.
01
02
03
04
05
06
07
08
09
10
11
12
