Athsainmhíníonn an Elbow Snáithe 90 Céim Brionnaithe éifeachtúlacht i gcórais píblíne, ag tairiscint réiteach láidir d'athruithe beachta treo 90 ° agus ag an am céanna ag cinntiú suiteáil agus cothabháil gan stró trína dhearadh nasc snáithithe. Déanta as cruach carbóin brionnaithe ard-ghrád nó cruach dhosmálta, comhcheanglaíonn an elbow seo neart eisceachtúil le friotaíocht creimeadh, rud a fhágann go bhfuil sé oiriúnach do chórais sreabhach ísealbhrú áit a bhfuil iontaofacht agus inoiriúnaitheacht ríthábhachtach. Cumasaíonn na foircinn snáithithe cóimeáil agus díchóimeáil tapa gan uirlisí speisialaithe, ag simpliú gnáthaimh chothabhála in iarratais ar nós líonraí dáileacháin uisce, córais HVAC, agus socruithe uisciúcháin tionsclaíocha. Déanann a dhearadh dlúth dul i ngleic le spásanna daingean gan stró, ag baint leasa as an éifeachtúlacht sreafa agus ag an am céanna suaiteacht agus titeann brú a íoslaghdú - buntáiste ríthábhachtach i dtimpeallachtaí teoranta mar innealtóireacht mhuirí, próiseáil bia agus áiseanna cógaisíochta.
| Méid | DN15(1/2")~DN600(24") |
| Leibhéal Brú | Aicme 2000~6000 |
| Cineál Snáithe | NPT, BSPP, BSPT |
| Teastas | PED, AD2000, EAC, ABS, BV, DNV, NORSOK M650, ISO9001, ISO14001, ISO45001, etc. |
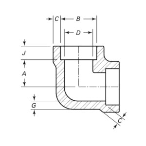
| Feidhm a thabhairt isteach | Úsáidtear é le haghaidh píblínte a iompú treo 90 ° le nasc snáithithe, éasca le díchóimeáil agus cothabháil, oiriúnach do chórais sreabhach ísealbhrú. |
| Réimsí iarratais | Deartha do chórais píblíne ardbhrú, atá oiriúnach chun páirteanna tábhachtacha a nascadh agus a stiúradh, mar shampla scagadh peitriliam, trealamh cumhachta núicléach, trealamh ceimiceach, soithí brú coire, etc. |
| Pacáil | Pacáiste seaworthy, Cásanna Sraithadhmaid nó pailléid nó de réir riachtanas an chustaiméara |
| Táirgí Réadmhaoin | 1 、 Baisc íosta ordú ; |
Innealtóireacht chun teocht athraitheach agus strus meicniúil a sheasamh, cinntíonn an uillinn seo feidhmíocht sceitedhíonach i gcórais hiodrálacha, rialuithe aeroibrithe, agus línte gaile ísealbhrú, ag laghdú aga neamhfhónaimh agus costais oibriúcháin fadtéarmacha. Trí ródú casta a shruthlíniú agus deireadh a chur le pointí teipe féideartha, cuireann sé ar chumas tionscail bainistíocht sreabhán gan uaim a choinneáil fiú i leagan amach spás-srianta. I gcás innealtóirí a thugann tosaíocht do mharthanacht, solúbthacht, agus cost-éifeachtúlacht, seasann an Elbow Snáithe Forged 90 Degree mar chomhghuaillíocht iontaofa. Uasghrádaigh do bhonneagar inniu lenár n-uillinneacha beachta brionnaithe - áit a dtagann feidhmíocht gharbh le dearadh cliste, ag cinntiú go n-oibríonn do chórais gan staonadh faoi éilimh thionscal nua-aimseartha. Roghnaigh iontaofacht, roghnaigh éifeachtúlacht, agus athraigh do líonraí píblíne le réiteach a tógadh go mairfidh.
Ó amhábhar go dtí an seachadadh deiridh, coinnímid smacht docht ag gach céim chun marthanacht, feidhmíocht agus comhsheasmhacht a chinntiú.
01
02
03
04
05
06
07
08
09
10
11
12
