Seasann an Weld Muineál Flange mar an réiteach deiridh do thimpeallachtaí ardbhrú, ardteochta, a ndearnadh innealtóireacht orthu chun iontaofacht neamhmheaitseála a sheachadadh trína nasc láidir butt-táthaithe agus a dhromchla séalaithe cruinneas-mhonaraithe. Deartha le haghaidh feidhmeanna ríthábhachtacha, comhtháthaíonn an flange seo gan uaim le píblínte trí tháthú cnapáin lántreáite, ag cruthú struchtúr monolithic a sheasann le brúnna foircneacha, luaineachtaí teirmeacha, agus strus meicniúil - rud a fhágann go bhfuil sé fíor-riachtanach i scaglanna ola, gléasraí peitriceimiceacha, agus córais chumhachta núicléacha. Ní hamháin go neartaíonn a dhearadh muineál barrchaolaithe sláine struchtúrach ach freisin íoslaghdaíonn sé tiúchan strus, ag cinntiú feidhmíocht fadtéarmach i gcoinníollacha éilitheacha. Ráthaíonn an próiseas táirgthe – a chuimsíonn ardchruthú, cóireáil teasa chun strus a mhaolú, críochnú beachtas, dianthástáil neamh-millteach (NDT), agus cóireálacha dromchla frith-chreimeadh – comhpháirt a sháraíonn caighdeáin tionscail maidir le sábháilteacht agus marthanacht.
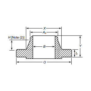
| Trastomhas | DN15 (1/2") - DN3500(138") |
| Brú | 0.25-25MPa |
| Teastas | PED, AD2000, EAC, ABS, BV, DNV, NORSOK M650, ISO9001, ISO14001, ISO45001, etc. |
| Feidhm a thabhairt isteach | Butt-weld connection provides high-strength sealing for high-pressure (HP) and high-temperature (HT) applications, ensuring leak-proof performance under extreme conditions |
| Réimsí iarratais | Infheidhme maidir le naisc flange píopaí i bpíblínte ola agus gáis fad-achair, ardáin amach ón gcósta, trealamh ceimiceach, córais cóireála uisce, agus tionscail bia agus cógaisíochta, arna oiriúnú do choinníollacha oibre casta. |
| Pacáil | Pacáiste seaworthy, Cásanna Sraithadhmaid nó pailléid nó de réir riachtanas an chustaiméara |
| Táirgí Réadmhaoin | 1 、 Baisc íosta ordú ; |
Ó phíblínte fomhuirí marthanacha uisce farraige creimneach go tuirbíní gaile a oibríonn ag teochtaí scorching, cinntíonn an Weld Muineál Flange séalaithe sceitheadh-dhíonach agus leanúnachas oibriúcháin. Bíonn tionscail a dteastaíonn cáilíocht neamhchomhréiteach uathu, amhail córais sreabhán aeraspáis nó stóráil chrióigineach, ag brath ar a gcumas sláine a choinneáil faoi lódáil thimthriallach agus faoi nochtadh do mheáin gharbh. Trí athléimneacht ábhair níos fearr a chomhcheangal le hinnealtóireacht bheachtais, laghdaíonn an flange seo costais saolré trí aga neamhfhónaimh agus cothabhála íoslaghdaithe. Maidir le hinnealtóirí a bhfuil sé de chúram orthu bonneagar ard-gheallta a chosaint, is é an Weld Muineál Flange an rogha cinntitheach. Ardaigh feidhmíocht do chórais inniu lenár gcuid préimhe Weld Neck Flanges - áit a gcomhlíonann déantúsaíocht cheannródaíoch athléimneacht de ghrád tionsclaíochta, rud a chumasaíonn d'oibríochtaí na foircinní brú, teochta agus ama a shárú. Roghnaigh sármhaitheas, roghnaigh seasmhacht, agus tóg bunús atá cosanta don todhchaí do do chórais ríthábhachtacha.
Ó amhábhar go dtí an seachadadh deiridh, coinnímid smacht docht ag gach céim chun marthanacht, feidhmíocht agus comhsheasmhacht a chinntiú.
01
02
03
04
05
06
07
08
09
10
11
12
