Déanann an Snáithithe Flange nascacht píblíne a réabhlóidiú trí réiteach slán saor ó tháthú a thairiscint chun píopaí snáithithe a cheangail, rud a fhágann gurb é an rogha deiridh é do thimpeallachtaí ina bhfuil sábháilteacht agus inoiriúnaitheacht neamh-shoshannta. Innealtóireacht le snáithiú inmheánach beachtas, comhtháthaíonn an flange seo gan uaim le píopaí cruach ghalbhánuithe nó le córais ina bhfuil cosc ar tháthú - mar shuíomhanna inadhainte, pléascacha nó an-íogair. Cuireann a dhearadh nuálaíoch deireadh le guaiseacha dóiteáin a bhaineann le táthú, ag cinntiú go gcomhlíontar prótacail sábháilteachta déine agus ag seachadadh séala láidir sceitedhíonach a sheasann d'éilimh ardbhrú. Ligeann an nasc snáithithe suiteáil agus díchóimeáil tapa, rud a chuireann ar chumas na foirne cothabhála córais a réiteach nó a uasghrádú gan trealamh speisialaithe, ag laghdú aga neamhfhónaimh in oibríochtaí ríthábhachtacha amhail próiseáil cheimiceach, dáileadh ola agus gáis, nó táirgeadh cógaisíochta.
| Méid | DN15 (1/2") - DN600 (24") |
| Rátáil Brú | 0.6- 4.0MPa |
| Raon Teochta | -45 ℃ go 260 ℃ |
| Teastas | PED, AD2000, EAC, ABS, BV, DNV, NORSOK M650, ISO9001, ISO14001, ISO45001, etc. |
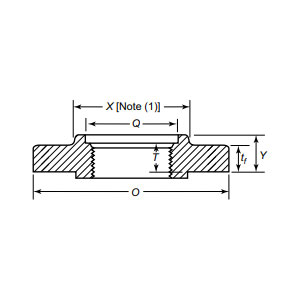
| Feidhm a thabhairt isteach | Ceanglaíonn an flange snáithithe leis an bpíopa snáithithe trí snáithe píopa inmheánach, ag deireadh an táthú. Ideal do phíopaí cruach ghalbhánuithe nó do thimpeallachtaí táthaithe srianta (inadhainte / pléascach). Gnéithe suiteáil éasca agus cothabháil solúbtha, go háirithe oiriúnach le haghaidh cruach cóimhiotail agus ábhair eile le weldability bocht. |
| Réimsí iarratais | Infheidhme maidir le naisc flange píopaí i bpíblínte ola agus gáis fad-achair, ardáin amach ón gcósta, trealamh ceimiceach, córais cóireála uisce, agus tionscail bia agus cógaisíochta, arna oiriúnú do choinníollacha oibre casta. |
| Pacáil | Pacáiste seaworthy, Cásanna Sraithadhmaid nó pailléid nó de réir riachtanas an chustaiméara |
| Táirgí Réadmhaoin | 1 、 Baisc íosta ordú ; |
Ideal d'ábhair atá seans maith do dhúshláin táthúcháin-cosúil le cruach cóimhiotail-caomhnaíonn an Thread Flange sláine an ábhair, rud a sheachnaíonn brittleness nó saobhadh teasa. Cinntíonn a thógáil atá resistant ó chreimeadh, atá ar fáil i cruach carbóin nó i cruach dhosmálta, fad saoil fiú i dtimpeallachtaí crua, ó ardáin druileála amach ón gcósta go córais sláintíochta de ghrád bia. Le tacaíocht ó dhianchomhlíonadh na gcaighdeán domhanda, ráthaíonn an flange seo iontaofacht in iarratais ard-geallta, lena n-áirítear córais hiodrálacha, píblínte crióigineacha, agus aistrithe sreabhán indóite. I gcás tionscail a thugann tosaíocht do shábháilteacht, éifeachtúlacht, agus cothabháil cost-éifeachtach, is réiteach claochlaitheach é an Flange Snáithithe. Ardaigh do bhonneagar inniu lenár Snáithe Flanges préimhe - áit a gcomhlíonann an nuálaíocht sábháilteacht neamh-chomhréireach, rud a chuirfidh ar chumas do chórais oibriú gan locht sna coinníollacha is déine. Roghnaigh muinín, roghnaigh marthanacht, agus ath-shainmhínigh acmhainn do phíblíne.
Ó amhábhar go dtí an seachadadh deiridh, coinnímid smacht docht ag gach céim chun marthanacht, feidhmíocht agus comhsheasmhacht a chinntiú.
01
02
03
04
05
06
07
08
09
10
11
12
