Athsainmhíníonn an Lap Joint Flange solúbthacht i gcórais phíobáin, ag tairiscint réiteach dinimiciúil chun leathnú teirmeach agus strus crapadh a bhainistiú agus ag an am céanna díchóimeáil gan uaim a chumasú in iarratais ísealbhrú. Trí fháinne láidir flange a chomhcheangal le comhpháirt pivoting flanged, ceadaíonn an dearadh nuálaíoch seo gluaiseacht aiseach rialaithe píblínte, ag ionsú go héifeachtach athruithe teocht-spreagtha gan cur isteach ar shláine struchtúrach. Ar fáil i dhá chumraíocht - Cineál Fáinne Butt Weld (PJ/SE) le haghaidh hailt táthaithe ardchruinneas agus Cineál Fáinne Flat Weld (PJ/RJ) le haghaidh suiteáil simplithe - freastalaíonn sé ar riachtanais oibríochtúla éagsúla agus feidhmíocht sceitedhíonach á chothabháil. Innealtóireacht déanta as cruach charbóin préimhe nó cruach dhosmálta, cuireann an flange i gcoinne creimeadh agus caitheamh meicniúil, ag cinntiú iontaofacht i dtionscail cosúil le próiseáil cheimiceach, cóireáil uisce, agus táirgeadh bia, áit a ndéantar cothabháil nó uasghrádú trealaimh go minic.
| Trastomhas | DN50(2")-DN2000(80") |
| Brú | 0.6-2.5MPa |
| Teastas | PED, AD2000, EAC, ABS, BV, DNV, NORSOK M650, ISO9001, ISO14001, ISO45001, etc. |
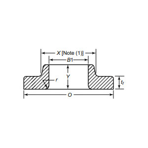
| Feidhm a thabhairt isteach | In éineacht le fáinne flange agus flanging, ceadaíonn sé dí-áitiú aiseach ar an bpíblíne agus laghdaíonn sé strus leathnú teirmeach. Cineálacha: fáinne táthú butt (PJ/SE) agus fáinne táthú cothrom (PJ/RJ). Oiriúnach do phíblínte ísealbhrú óna dteastaíonn díchóimeáil go minic. |
| Réimsí iarratais | Infheidhme maidir le naisc flange píopaí i bpíblínte ola agus gáis fad-achair, ardáin amach ón gcósta, trealamh ceimiceach, córais cóireála uisce, agus tionscail bia agus cógaisíochta, arna oiriúnú do choinníollacha oibre casta. |
| Pacáil | Pacáiste seaworthy, Cásanna Sraithadhmaid nó phailléid nó de réir riachtanas na gcustaiméirí |
| Táirgí Réadmhaoin | 1 、 Baisc íosta ordú ; |
Simplíonn a mheicníocht rothlach ailíniú le linn cóimeála, ag laghdú costais saothair agus aga neamhfhónaimh i gcórais amhail innealra hiodrálacha, líonraí HVAC, nó socruithe modúlacha tionsclaíocha. Trí ghluaiseacht flange a leithlisiú ó strus píblíne, leathnaíonn sé saolré gaiscéid agus boltaí, ag ísliú costais athsholáthair fadtéarmacha. Ó ardáin amach ón gcósta a dteastaíonn cúiteamh teirmeach uathu chuig gléasraí cógaisíochta a dteastaíonn naisc steiriúla atá éasca le glanadh uathu, áirithíonn an Lap Joint Flange go gcomhlíontar caighdeáin ASME agus EN agus é ag oiriúnú d'éilimh oibríochta atá ag athrú. Le tacaíocht ó thástáil dhian agus comhoiriúnacht ilúsáideach, cuireann sé ar chumas na n-innealtóirí bonneagar athléimneach atá réidh don todhchaí a dhearadh. Uasghrádaigh do chórais píobaireachta inniu lenár Lap Joint Flanges - áit a mbuaileann innealtóireacht bheacht le neart oiriúnaitheach, rud a chuirfidh ar chumas d'oibríochtaí rathú i dtimpeallachtaí dinimiciúla. Roghnaigh solúbthacht, roghnaigh seasmhachta, agus díghlasáil ré nua éifeachtúlachta.
Ó amhábhar go dtí an seachadadh deiridh, coinnímid smacht docht ag gach céim chun marthanacht, feidhmíocht agus comhsheasmhacht a chinntiú.
01
02
03
04
05
06
07
08
09
10
11
12
