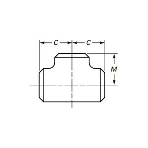
Feisteas ríthábhachtach i gcórais phíobáin is ea tee comhionann, atá deartha chun sreabhadh sreabhán a scoilt nó a chomhcheangal agus trastomhais chomhsheasmhacha na bpíopaí a choinneáil ar fud na dtrí oscailt. Is é príomhról tee comhionann ná deighilt nó cóineasú sreafa a éascú gan méid an phíobáin a athrú, rud a fhágann go bhfuil sé fíor-riachtanach i gcórais ina bhfuil trastomhas comhsheasmhach agus brú cothrom ríthábhachtach.Déantar tees comhionann as ábhair a mheaitseálann an córas píobaireachta chun comhoiriúnacht, friotaíocht creimeadh, agus lamháltas brú a chinntiú.
| Méid | DN15 (1/2")~DN3800 (150"); |
| Tiús balla | Sce5~150mm; |
| Cineál | Gan uaim / táthaithe. |
| Teastas | PED, AD2000, EAC, ABS, BV, DNV, NORSOK M650, ISO9001, ISO14001, ISO45001, etc. |
| Feidhm a thabhairt isteach | Tá trastomhais éagsúla ag na príomhphíobáin agus na píopaí brainse, a úsáidtear le haghaidh rialáil sreafa nó athruithe ar mhéid píopa brainse. |
| Réimsí iarratais | Úsáidtear go forleathan i naisc chórais píblíne i réimsí na peitriceimiceach, iompar gáis nádúrtha, cumhacht leictreach, tógáil long agus innealtóireacht chathrach, atá oiriúnach do thimpeallachtaí ardbhrú, teocht ard agus meáin chreimneach. |
| Pacáil | Pacáiste seaworthy, Cásanna Sraithadhmaid nó phailléid nó de réir riachtanas na gcustaiméirí |
| Táirgí Réadmhaoin | 1 、 Baisc íosta ordú ; |
Is feistiú siméadrach ildánach é an tee comhionann a chuireann ar chumas bainistíocht sreabhadh éifeachtach i gcórais phíobáin, ag cinntiú comhsheasmhacht trastomhas, brú, agus comhoiriúnacht ar fud na n-iarratas. Ag féachaint do fheistiú iontaofa ardfheidhmíochta chun dáileadh sreafa nó cóineasú a shruthlíniú? Déantar ár gcuid tíonna comhionann de ghrád tionsclaíoch a innealtóireacht chun cáilíocht, siméadracht agus marthanacht fadtéarmach neamh-chomhréiteach a sheachadadh - foirfe chun do chórais píobaireachta a choinneáil éifeachtach, saor ó sceitheadh, agus ísealchothabhála.
Ó amhábhar go dtí an seachadadh deiridh, coinnímid smacht docht ag gach céim chun marthanacht, feidhmíocht agus comhsheasmhacht a chinntiú.
01
02
03
04
05
06
07
08
09
10
11
12
13
14
15
